Showing 114 of 114on this page. Filters & sort apply to loaded results; URL updates for sharing.114 of 114 on this page
voltage - X-ray filament and cathode connection - Electrical ...
Aluminum electrolytic cathode tank for contact surface connection type ...
Anode and cathode scientific physics education diagram, vector ...
Electrolysis Water Diagram Battery Anode Cathode Stock Vector (Royalty ...
Cathode and Anode - GeeksforGeeks
Cathode and Anode - Definition & Examples | CollegeSearch
What is Common Cathode LED display technology? : LED Studio
What Is Anode And Cathode Led at Verna Vanwinkle blog
Favorite Info About How Does A Cathode Affect Voltage Blog | Bergmonch
Smart Info About How Do I Know Which Is Anode Or Cathode Blog | Adams ...
Cathode and Anode |Quick differences and comparisons| - YouTube
SOLVED: Sketch the cell, labeling the anode and cathode and indicating ...
What is Common Cathode LED Screen - Tepixel
SOLVED:For the electrochemical cell pictured, label the anode, cathode ...
Cathode and Anode: In Electrochemical and Electrolytic System
Schematic setup of a full cell (a), a cathode sandwiched between two ...
2: Schematic representation of 850 mL-separated cathode electrochemical ...
Schematic representation of the experimental setup. 1, Cathode ...
a The cell arrangement with the serial connection of the cells, thin Cu ...
Schematic of cathode structure. | Download Scientific Diagram
Detail of the electrochemical cell: (1) anode, (2) cathode electrical ...
Electrochemical cell-connection schemes: (a) cell connection for ...
Schematics of the electrochemical cell. 1, cathode for pcec
Images of the electrochemical cell and connection setup. | Download ...
Cathode Black and White Stock Photos & Images - Alamy
Electrochemical cell process with anode cathode and electrolyte in ...
Diode, Anode, Cathode: Unlocking the Power of Semiconductor Junctions
What is a cathode? - Battery Power Tips
Best 13 Arduino 4-Digit 7-Segment LED Display – Artofit
PPT - Topic: Electrochemical Cells PowerPoint Presentation, free ...
Surface Finishing Techniques for Additive Manufactured Parts | SpringerLink
1 An electrochemical cell connected externally via electric wires and ...
Basic Setup of Electrochemical Cell - MCAT Content – MedLife Mastery
Schematic view of the electrochemical cell for the electrodeposition at ...
1. Schematic diagram of the setup. As shown in 1, the electrochemical ...
Notes-Part-2-Class-12-Chemistry-Chapter-5-Electrochemistry-Maharashtra ...
Anodes And Cathodes Explained at Winfred Gold blog
Schematic illustration of the electrochemical cell and photographs of ...
Visualization of electrochemical processes occurring at the (a) cell ...
(a) Schematic diagram of the electrochemical cell (1-cathode rod; 2-air ...
Schematic of the "two-electrode" electrochemical cell with multiple ...
A detailed illustration of an electrochemical cell, labeling the anode ...
Schematic view of the experimental set-up and details of... | Download ...
Electrochemistry on the MCAT – MedLife Mastery
Premium Photo | Illustrating the Components of an Electrochemical Cell ...
PPT - Electrochemical cells PowerPoint Presentation, free download - ID ...
Solved IV. An electrochemical cell contains an anode and a | Chegg.com
electrochemistry - Understanding an Electrochemical Cell - Chemistry ...
SOLVED:Describe the principal parts of an electrochemical cell by ...
PPT - Understanding Electrochemistry Principles and Applications ...
Schematic diagram of the electrochemical cell used in this work ...
ภาพประกอบสต็อก the process of electrochemical cells, showing anode ...
Schematic illustration of the electrochemical cell and electrode ...
9.2 Electrochemical Cells I Diagram | Quizlet
Ilustrace Illustrating electrochemical cell components in ...
1: (a) and (b) schematic operation principle of an
a) Scheme of the electrochemical mechanism upon application of a ...
Schematic diagrams the electrochemical cell and experimental
(a) A schematic diagram of the two-electrode electrochemical cell. (b ...
Schematic diagram of the electrochemical cell used in this study ...
Kama mungu alifanya ukakubalika like🥹 #fyp #fyypppppppppp #God #tikto ...
Researchers integrate AFM-in-SEM to map battery degradation
SEENDA COE200 2.4G Plus BT Dual Mode Full Size Keyboard Mouse User Manual
Rebel 250 – K-SPEED JAPAN
Nesting Speed Analytics → News → Sustainability
Company announces 'world's first' semi-solid-state EV battery coming to ...
Experiment 1C (Textbook) – Chemistry Form 5 Chapter 1 (Redox ...
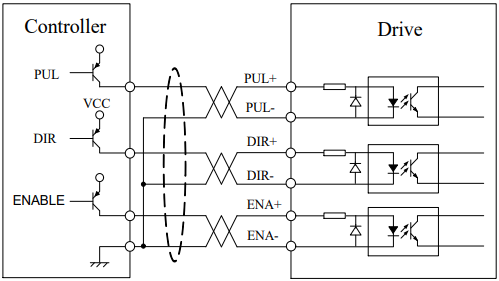
Mwongozo wa Dereva wa StepperOnline CL86T (V4.0) - Closed Loop Stepper ...
Vacuum Pressure Plateau During Pump-Down
Laboratory Activity 1H (Textbook) – Chemistry Form 5 Chapter 1 (Redox ...
12 months ago i was surviving on tuna cans in Dubai this was the ...
Vacuum Transmitter Grounding Guide
Antique Radio Is Buzzing: Common Causes Explained - Retro Radio Shop
Module à diodes / KD-M8/7K – Catalogue ELBRO
All Blocks - MMG
Can you repair rust on your car's frame? (And is it worth the work?)
Hidden within the atomic... - Argonne National Laboratory | Facebook
Interconnector Projects → News → Sustainability
Active Transit → News → Sustainability
Dr. Boris Maslov Joins Zeta Energy as Chief Executive Officer - The ...
ESP32 Embedded Rust at the HAL: GPIO Interrupts
(a) Schematic representation of electrochemical cell. (b) Setup of ...
Epsilon CAM unveils Gen III LFP battery material, targets global EV ...
20mA LED Driver Constant Current Source Regulator User Guide – Envistia ...
Lithium ion battery - explained
Laboratory Activity 1G (Textbook) – Chemistry Form 5 Chapter 1 (Redox ...
Laboratory Activity 1E (Textbook) – Chemistry Form 5 Chapter 1 (Redox ...
WokWi Simulator - IoT: Arduino LED, Servo, and Switch Interfacing - Studocu
Ytterbium-doped laser amplifier achieves high power efficiency | High ...
Volkswagen ID Polo 2026 Özellikleri: B Segmenti Devrimi!
Ch 3.1-3.3 Week 3 Tutorial: Zener Diode Concepts and Applications - Studocu
Amazon.com: Bituli 7FMXV Laptop Battery Replacement for Latitude 5320 ...
covacsis technologies private limited News and Updates from The ...