Showing 120 of 120on this page. Filters & sort apply to loaded results; URL updates for sharing.120 of 120 on this page
Relay Matrix 8x8 Application – Widgetlords Electronics
How to Calculate a Capacitance Matrix in COMSOL Multiphysics® | COMSOL Blog
Capacitance matrix computed with the COMSOL Electrostatics Interface ...
Relay matrix transfer circuit | Download Scientific Diagram
Relay Matrix - Share Project - PCBWay
Photograph of the switching relay PCB’s connected to the Capacitance ...
The capacitance matrix of a single motif describes the connectivity ...
Capacitance matrix calculation --QuickField FEA Software
Capacitance matrix of the model in figure 4 | Download Scientific Diagram
Capacitance matrix of the model in figure 1 | Download Scientific Diagram
Matrix capacitance for different values of operating frequencies ...
Examples of capacitance matrix extraction for the investigated circuits ...
Solved c) The capacitance matrix of a 750-kV horizontal | Chegg.com
The matrix capacitance model of a m×n GLM array. (a) The initial model ...
2007 Hyundai Matrix Horn relay - StartMyCar
Toyota Matrix Fuel Pump Relay - Guaranteed OEM Toyota Parts
Toyota Matrix Turn Signal Relay - Guaranteed OEM Toyota Parts
Toyota Matrix Radiator Fan Relay - Guaranteed OEM Toyota Parts
Capacitance matrix of the structure of Fig. 3 | Download Table
Elements of complex capacitance matrix ~ and inductance matrix ~ for ...
Low Output Capacitance Solid State Relay | Yokogawa America
Relay matrix - Page 2 - General Guidance - Arduino Forum
Extraction of Interconnect Parasitic Capacitance Matrix Based on Deep ...
Calculation of Capacitance Matrix in Electrical Systems
The structure of capacitance matrix | Download Scientific Diagram
Capacitance matrix of the model in figure 7 | Download Scientific Diagram
High-Density Relay & Matrix Boards | TEDLinx Automation
22: Electrostatic analysis: dead capacitance output matrix | Download ...
Matrix - Relay - FriendlyELEC WiKi
(a) Capacitance matrix (b) RC-opamp integrator with band switching ...
4x4 Relay Matrix Control Using an 8-Channel Relay Module - YouTube
Relay Protection Matrix | PDF
Fast computation of electric field and capacitance matrix of ...
capacitance matrix calculated by the Maxwell software | Download ...
Figure 1 from Computation of capacitance matrix for integrated circuit ...
Figure 1 from Computation of capacitance matrix of integrated-circuit ...
Relay matrix - General Guidance - Arduino Forum
Solved H8.P2 Symmetry Properties of the Matrix Capacitance | Chegg.com
Solved Determine the phase capacitance matrix (Cabc) in μF/ | Chegg.com
2. Capacitance Matrix — QTCAD 2.1.3 documentation
17 mutual capacitance value matrix in single touch condition. Average ...
(PDF) Capacitance matrix revisited
MATRIX 27. The equivalent capacitance in the circuit shown in fig. will b..
ADLREL-8x16 Matrix Relay Board | ADL Embedded Solutions
12: (a) Package geometry (b) Diagonal elements of capacitance matrix ...
The maxwell capacitance matrix (in F) resulting from FEM simulations ...
4x4 Relay Matrix Control Using an 8-Channel Relay Module | Electronics ...
Relay Matrix 8x8 KIT Modbus RTU RS485 I/O – Widgetlords Electronics
The Maxwell Capacitance Matrix WP110301 R02 | PDF | Capacitance ...
LXI Reed Relay Matrix - Single 32x32 Plugin, No Direct Y Access, 1 ...
analog - Solid State Relay capacitance causing distortion - Electrical ...
Figure 1 from CAPACITANCE MATRIX CALCULATION FOR INTEGRATED CIRCUIT ...
Figure 2 from Design of relay matrix network control based on FPGA ...
What Is Coil Latching Relay at George Delano blog
Considerations When Switching Low Capacitance Measurements - NI
Electrical Relay: Relay Contact Overview
(PDF) Accurate Capacitance Matrices for Multiconductor Transmission Lines
A capacitor matrix for impedance matching [35] | Download Scientific ...
Inductance/capacitance matrix configurations for a three disks winding ...
2. The capacitance and coupling capacitance of three interconnects is ...
Capacitor matrix to tune impedance matching network [82] | Download ...
BUTTERFLY- 3-In-1 Start Hard Start Kit Refrigerator Freezer Relay ...
SET PACKAGE - ORIGINAL SENLO M3 MATRIX DRIVING LIGHT V3, A1 Switch and ...
diodes - What is the use of the capacitor in this relay circuit ...
Consider an infinite matrix of capacitors as shown in the figure. Th
Equivalent matrix structure modelling and control of a three‐phase ...
Schematic diagram of distributed capacitor compensation matrix ...
The relay connection and capacitor speed control circuits | Download ...
Network equivalent of the capacitance and inductance matrices for a ...
Principle (a) and schematic diagram (b) of equivalent capacitance on ...
Schematic layout of feed through connected to the capacitance bridge ...
How Does a PTC Relay With Capacitor Work? - ElectronicsHacks
6.6kV & 11kV Capacitor protection relay | Manufacturers Price Guide ...
a polymorphic switched capacitor structure. a) Capacitor matrix (P,S ...
Figure 10 from Single-Input Relay Charging Switched-Capacitor Topology ...
Optimization of the Relay Coil Compensation Capacitor for the Three ...
Pole Switched Matrices | Efficient Relay Switching Explained
The admittance matrix and the impedance matrix of a 3-bus power system ...
Capacitor Relay: Functions | PDF | Capacitor | Relay
Capacitor Type Relay Connection || Coil Relay Starting Capacitor ...
Capacitor Relay at Allyson Byerly blog
PPT - Finite Difference Method PowerPoint Presentation, free download ...
Project/RelayMatrix - initLab
Signal Formation in Particle Detectors - ppt download
Programmable capacitor matrix. | Download Scientific Diagram
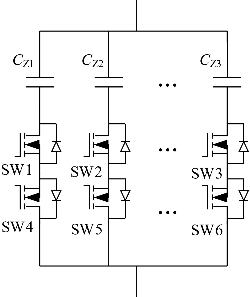
Efficiency enhancement of multi-relay wireless power transfer system ...
Capacitances
An Open-Hardware and Low-Cost Maintenance Tool for Light-Electric ...
PPT - ECE 546 Lecture 03 Resistance, Capacitance, Inductance PowerPoint ...
One-line diagram of protective relaying for the capacitor bank ...
Conceptual method for the detailed analytical calculation of ...