Showing 119 of 119on this page. Filters & sort apply to loaded results; URL updates for sharing.119 of 119 on this page
Numerical Busbar Protection Scheme - Electrical Axis
Busbar protection schemes for distribution substations | EEP
Busbar Protection : Definition, Protection Schemes and Its Testing
Busbar Protection Schemes
Busbar Protection Scheme Explained - Electrical Concepts
low-impedance busbar differential protection β Electrical Engineering
Busbar Protection | Differential Protection | Protection of Lines
Busbar Protection Techniques π Simplified! | Electrology - YouTube
Busbar Protection | Busbar Differential Protection Scheme | Electrical4U
BusBar Differential protection Working Principle - YouTube
Electric Busbar Protection | Bus Bar Differential Protection ...
Busbar Protection
Principles and applications of busbar protection schemes (you SHOULD ...
Principles and schemes of busbar and breaker protection in MV/HV/EHV ...
Busbar Protection | Busbar Differential Protection Scheme | Electrical4u
Everything You Need To Know About Busbar Protection
differential protection of busbar | protection of bus bar | in hindi ...
Busbar Protection - Differential and Frame Leakage Protection
MCCB for Busbar Systems: Connection and Protection Guide
Figure 1 from Low-impedance busbar differential protection modeling and ...
Busbar Protection Solid state, high-speed modular busbar protection ...
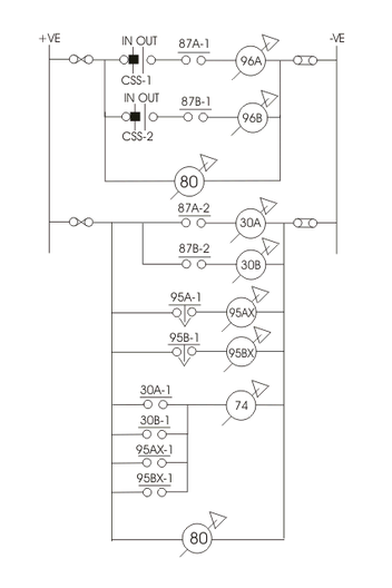
Busbar differential protection for single busbar (ANSI 87B) _ Setting ...
Importance Of Busbar Protection at Georgia Sturt blog
Design issues in HV busbar protection systems (substation topology and ...
Busbar Protection Busbar Differential Protection Scheme | PDF | Relay ...
Tutorial Busbar Protection Session 1 Busbar protection systems and ...
Distributed busbar protection for double busbar and transfer busbar ...
PPT - BUS2000 Busbar Differential Protection System PowerPoint ...
Common Busbar Protection Schemes - Power Systems
The General Principles of Busbar Protection in Transmission and Sub ...
Automated Testing of Busbar Differential Protection Using a System ...
Busbar Differential Protection / 7SS52
High Impedance Differential Protection of Busbar
Busbar Protection System Overview | PDF
Busbar protection β Electrical Engineering
Busbar Protection Panels at Rs 60000/set | Tathawade | Pune | ID ...
Busbar Protection - Electrical Axis
basics of busbar and lbb protection | PPTX
Busbar protection LEC 1 | PPTX
Low Impedance vs High Impedance Busbar Protection
220kV Busbar Protection System
Applying high-impedance differential busbar protection scheme | EEP
What is busbar differential protection?
Distributed busbar protection. | Download Scientific Diagram
Total Power System: Bus-barβs Protection
Bus Bar Protection | Bus Bar Differential Protection | High Impedance ...
Bus-Bar Protection Schemes - Backup Protection, Fault-Bus Protection ...
What are types of busbar protection? - Blue Jay
Bus Bar Protection|Busbar Differential Protection|How busbar is ...
Bus Bar Protection | Concepts and Applications of High Impedance Bus ...
Types of Bus Bar Protection and Why Bus Bar Protection required
Three basic principles of differential protection you SHOULD properly ...
What Is Bus Differential Protection at Rickey Turman blog
BUSBAR DIFFERENTIAL PROTECTION/HV BUS PROTECTION/LBB/MAIN ZONE CHECK ...
System structure of the distributed busbar protection. | Download ...
Busbar & Line Protection: Overcurrent, Differential, Distance
Electrical Protection Systems, Devices And Units - Electrical Technology
Bus Differential Protection Calculation: A Complete Guide : Electrical ...
Fundamental overcurrent, distance and differential protection principles
PPT - Busbars and Mesh Busbars PowerPoint Presentation, free download ...
Four Special Differential Protections And Their Respective CT ...
11-BUSBAR_PROTECTION_BUSBAR_PROTECTION_RF.pdf
Understanding Bus Bar Protection: A Comprehensive Guide to Differential ...
5-busbar protection.pptx