Showing 118 of 118on this page. Filters & sort apply to loaded results; URL updates for sharing.118 of 118 on this page
Exploded View | PDF
Exploded View Parts List (QA49LS03RAKXXV BA01) | PDF | Quantity ...
Exploded View & Part List | PDF | Science & Mathematics
Exploded View & Parts List | PDF
WD-1460FHD Exploded View | PDF
Exploded View & Part List | PDF | Computer Data Storage | Computer Data
What Is Exploded View Drawing? | Domestika
Exploded View Parts List (UN40EH5300F) | PDF
A71 Samsung Exploded View | PDF
Exploded View & Part List | PDF | Electromagnetism | Metallic Elements
Exploded View & Part List | PDF
07 - Exploded View & Part List | PDF | Machines | Mechanical Engineering
Exploded View - Vector Documentation
How To Draw Exploded View Drawing
The Ultimate Guide to Understanding Exploded View Diagrams: Everything ...
Piston Exploded View at Phillip Mcdonald blog
Parts Exploded View | PDF
Exploded View RB29FSRNDEFEF | PDF | Environmental Law | Copyright Law
Exploded View Diagram
Exploded View With Dimensions
Exploded view | PDF
Exploded Isometric View Guide For Tech & Product Design
Exploded Diagram Exploded View – Hydraulic Pump – 2D – Europarts
ZF8HP75X Automatic Transmission Exploded View Spare Parts Catalog ...
Kyosho Inferno US Sports - 31277 - Exploded View • RCScrapyard - Radio ...
Dreamcast Exploded View | PDF
Exploded Views Lelit Exploded Views Pl41lem Exploded View
exploded view | PDF
ANNEX Exploded View Part List-UN55JU7500GXZD-TS01 | PDF | Electrical ...
How to Create an Exploded View in SOLIDWORKS | Beginner Tutorial
Transmission Exploded View | ATV Anex
Exploded View Drawings Service – Outsource at Best Price
Exploded View
Instrument Panel Exploded View at Albert Pietsch blog
Generator Exploded View Technical Drawing Electrical Generator Diagram
Exploded View Engine | PDF
Exploded View Parts List (Map) | PDF
Brinn Transmission Exploded View at Betty Crosby blog
Exploded View Product Design Projects :: Photos, videos, logos ...
Exploded view of a jet engine with various internal components and ...
Rear Hub Exploded View & Parts List
Exploded Views Lelit Exploded Views PL042QE Exploded View - Complete
2011 Exploded View | PDF
Hybrid Target Exploded View Tech Sheet | Hamskeaarchery
Exploded View & Replaceme
Machinery Exploded View Renderings For Industrial Design
Engine Exploded View Of Car Engine Parts Car Care BD
Nord Gearbox Exploded View at Evelyn Lowman blog
SL-M4075FR SEE Exploded View Parts List | PDF | Intellectual Works ...
Exploded view – Artofit
Front Hub Exploded View & Parts List
Design professional exploded view or assembly drawing for your machine ...
12V Battery Exploded View Guide | PDF
Kyosho Inferno GT • Exploded View • RCScrapyard - Radio Controlled ...
Solidworks Assembly Drawing Exploded View at PaintingValley.com ...
Exploded Views Gaggia Exploded Views Baby Exploded View (2002) - Complete
F4PRE2008 - TechnipFMC (SMITH) F4 METER EXPLODED VIEW PRE-2008
Exploded Views Rocket Exploded Views Appartamento Exploded View - Group
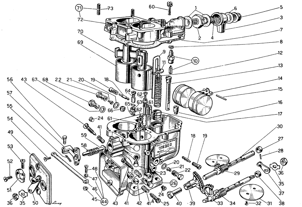
Weber Dgv Exploded View
Tft 32269 Exploded View | PDF
Gearbox Exploded View at Laura Livingstone-learmonth blog
exploded view 3d model 1 5 Prompts | Stable Diffusion Online
Exploded View Animation – CUDAE
756 Exploded View Drawing
Engineering Drawing Exploded View at Joyce Mckenzie blog
Exploded View Main Valve Block Rexroth | PDF
Best Exploded View Car Royalty-Free Images, Stock Photos & Pictures ...
Exploded Assembly Drawing Architecture House New York University
Clarion 929-5007-80 CD Mech Module Exploded Views | PDF
Exploded Views DrafStation | PDF | Electrical Engineering | Equipment
Exploded Views and Parts List | PDF
Sigma 2 Diaphragm Metering Pumps Exploded Views Spare Parts | PDF ...
Samsung Tv Exploded at James Fontanez blog
How to use Exploded Parts Diagrams | Orchid Information Systems
Exploded Views - Impulse Pumps B.V.
Exploded Views Spare Parts Beta B EN | PDF
HBX - Wildfire - Exploded Views and Parts Lists - 3378 • RCScrapyard ...
Acme Racing - Pioneer - Exploded Views and Parts Lists - A2010T ...
Exploded
Ford/mazda 4f27e/fn4a-El Corrected Valve Body Exploded Views | PDF
7. Exploded Views and Parts List
Exploded Views Renderings - Creative Services - XO3D
Exploded Representations - BricsCAD Mechanical | Bricsys Help Center
SOLUTION: Exploded views - Studypool
A Unique Approach to Exploded Views
Car Water Pump Exploded at Geraldine Morton blog
Vending 2014 - Exploded Views 2 | PDF | Ingeniería Química | Plomería
Why Use Cutaway and Exploded Views in Industrial Illustration ...
Exploded Views Lelit Exploded Views Pl51 Exploded Vie - vrogue.co
Exploded Views | Beckett Corporation
Exploded+View AM144FXVAFR2AA 190214 | PDF | Valve | Equipment
Exploded-View Drawing | PDF | Vehicles | Manufactured Goods
ExplodedView | PDF
HoBao Differential Parts Catalog | PDF
BTFP12570 | ServiceNet B2B
Деталировки MICHELANGELO BFT
PP510 (Exploded View) | PDF
Np261 Transfer Case Parts Diagram at Fanny Payton blog