Showing 120 of 120on this page. Filters & sort apply to loaded results; URL updates for sharing.120 of 120 on this page
Штуцерне з'єднання AZ54337 до техніки John Deere
Union Fitting - AZ54337 – RQ Parts
ZESTAW KOŃCÓWEK SMAROWANIA - AZ54337 • Edanex
AZ54337 Union Fitting - John Deere spare part | 777parts.com
AZ54337 对丝接头 约翰迪尔青贮机配件-阿里巴巴
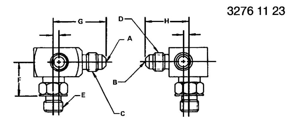
AZ54337: Straight Union Adapter Fitting | Shop.Deere.com
ALFA AGRI
OEM John Deere E5855U35 Bucket Tooth Adapter 40 mm Leg opening
ARIMain - WEINGARTZ
Запчастни John Deere Claas: 1 900 грн. ᐉ Запчасти для сельхозтехники в ...
Agrishop US | John Deere - AXT12337 - Pin "Available"
JOHN DEERE Straight Adapter Fitting A852122
JOHN DEERE Elbow Adapter Fitting A852333
E5849U25 5849-U25 John Deere Welded Tooth Adaptor
U joint asembly John Deere RE52347 - Transmission
JOHN DEERE Straight Adapter Fitting A852133
RE533095 燃油泵DZ124927 约翰迪尔青贮机配件-阿里巴巴
Quick Attach Adapter Kits for Tractors-Ask Tractor Mike-Ozark, MO
334233 Straight Fitting S-67 - Maple Lane Farm Service
John Deere Electric Connector Cavity Plug Part Number - 57M10334 | eBay
YZ105754 ADAPTER FITTING fits JOHN DEERE (New OEM) - Walmart.com
Dixon AG-Series Coupler x John Deere Plug Adapter - RD-4AGJD4 | Rural King
38H5003, John Deere Adapter Fitting
John Deere Servicegard Tractor Splitting Stand Adapter - JT07359
John Deere Union Fitting AXE17073 - Green Farm Parts
John Deere Adaptor Plug 7 to 13 pin MCXFA1259 - Ben Burgess
AT311387 | John Deere 544J Quick Coupler for Sale
Adapter, Straight | AGCO Parts
John Deere 7Pc High Flow Coupler Plug Kit - 1/4" NPT, 1/4" Body ...
Tie Rod Assembly RE271437 for John Deere 5103 5225 5303 5403 5415 5090 ...
Who Is The Girl Law By Mike – Bet You Thought This Was A Crime! #law # ...
Amazon.com : John Deere GX23477 Adapter : Patio, Lawn & Garden
A852323: Elbow Adapter Fitting | Shop.Deere.com
John Deere Straight Adapter Fitting 62M1010 | Doggett
John Deere MowerPlus Smart Connector - BUC10537
John Deere Adapter YZ102370 - Green Farm Parts
John Deere Fitting Kit AH225937 - Green Farm Parts
High Quality Spare Parts Shop For Construction, Agriculture machinery ...
TCA51023 FITTING fits JOHN DEERE (New OEM) - Walmart.com
Elbow Adapter Fitting - 38H5023 suitable for John Deere 5600,5700 ...
John Deere RE554273 , Adapter Fitting | eBay
John Deere 557 Round Baler Front Half CV w/ Female Tube, Cat 5, 35 ...
John Deere Hardware • John Deere Nuts, Bolts, Washers, Screws & More
Dixon John Deere Coupler x AG-Series Plug Adapter - RD-4JDAG4 | Rural King
John Deere Red Hydraulic Coupler Plug - W53382
Amazon.com: HD Switch (4 Pack) Hydraulic Quick Coupler Dust Cap & Plug ...
John Deere Adapter Fitting 38H5003 - Green Farm Parts
John Deere Original Equipment Adapter Kit - AM882530,1 - Walmart.com
John Deere GX23477 Adapter - Walmart.com
AR54637 | Tie Rod Assembly for John Deere®
John Deere Straight Adapter Fitting 38H5135 | Doggett
E5850U30 5850-U30 John Deere Excavator Welded Adapter
38H5037 Adapter Fitting for John Deere | Doggett John Deere | Doggett
John Deere Adapter Fitting RE67015 - Green Farm Parts
Hydraulic Fittings – ARROW INDUSTRIAL SALES
Left Transmission for John Deere Z535R Z540R Z625 Z655 Z665 AUC15343 ...
John Deere Adapter Fitting - JD7838
John Deere Plug Adapter Fitting TNCAF-R54123 – tncwholesaleparts
John Deere Original Equipment Adapter Fitting - AR98202,1 - Walmart.com
John Deere Tube Kit AA54755 - Green Farm Parts
John Deere GX23477 Adapter | eBay
CONVEYOR CHAIN AZ63337 for your Agricultural machinery – Agri Parts
John Deere OEM Adapter Fitting R54123 Fast for sale online | eBay
John Deere X350, 48-in. Deck | Hutson Inc
Line, Quick Coupler Socket to Compressor To Fit John Deere® – New ...
John Deere Adapter Fitting - Inches JD7838 | Doggett
New OEM Genuine John Deere Adapter Fitting, Part # GX22286 - Walmart.com
AT311387 | John Deere 544K Quick Coupler for Sale
Hydraulic Adapter To Fit John Deere, Female ISO
R54123 | Adapter Fitting Plug for John Deere®
T3G7357 John Deere 755D DOZER CRAWLER Adapter
John Deere Elbow Fitting AT25537 - Green Farm Parts
Adapter Fittings | AKRS
Amazon.com: HD Switch Ball Joint End with Tough Crimp Design Replaces ...
John Deere Adapter Fitting T357623 - Green Farm Parts
RE554273: Adapter Fitting | Shop.Deere.com
AR36097 UNION fits JOHN DEERE (New OEM) - Walmart.com
AR44337 | Complete Tie Rod Assembly for John Deere®
R54123 | Adapter Fitting Plug for John Deere® | Replaces OEM # R54123
Yorkshire Straight union adaptor
John Deere 35, 36, 36A, 46A, 47 to Skid Steer Adapter | Bell Precision Tool
John Deere Adapter Fitting
John Deere AA57397 Pro Shaft Drives &Transparent Seed Tubes W/Accu ...
John Deere Model Z530M Zero Turn Mower Parts
John Deere Adapter Harness – Gazeeka by Samuel Jackson Inc
John Deere Original Equipment Adapter Fitting - MIU13767,1 | eBay
Bucket Tooth Adapter, New, John Deere, U41344
John Deere MIU13767 Adapter Fitting | Mow The Lawn
John Deere Straight Adapter Fitting A853166 | Doggett
John Deere Straight Adapter Fitting A852122 | Doggett
John Deere Adapter Fitting - MM RE561235 | Doggett
John Deere Stud R545634
John Deere AT505495 Fitting, Stud Straight Jis G3/4-14 | RDO Equipment Co.
Straight Adapter fits Hydraulics Adapters
John Deere Adapter Fitting M87733 - Green Farm Parts
Amazon.com: For John Deere Equipment Adapter Fitting - MIU13767,1 ...
T104673 John Deere Center Top Bolt-On Adapter
FF535337 John Deere Bushing
John Deere Straight Adapter Fitting 38H5168 | Doggett
John Deere Adapter Kit AM134805 - Green Farm Parts
DZ113063 Adapter Fitting for John Deere | Doggett John Deere | Doggett
Eastern Triangle Enterprises LLC Parts Store. 65
John Deere Center Adapter Weld-On T3G8354