Showing 119 of 119on this page. Filters & sort apply to loaded results; URL updates for sharing.119 of 119 on this page
DIY arduino based Multi wire cutting machine | Arduino project - YouTube
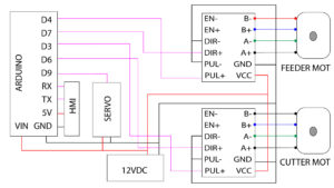
DIY Arduino based wire cutting machine - Electric DIY Lab
DIY Automatic Wire cutting Machine | Arduino project - YouTube
DIY Arduino based wire cutter machine - YouTube
Arduino 3D Wire Bending Machine - YouTube
Arduino 3D Wire Bending Machine - How To Mechatronics
Arduino Homemade Automatic wire stripping cutting machine V2 part 4 ...
Arduino Homemade Automatic wire stripping cutting machine V2 (DESIGN ...
how to make wire cutting machine arduino based - YouTube
DIY Arduino based 2D wire bending machine - YouTube
DIY Arduino based wire cutting machine - Electric Diy Lab
DIY Arduino based Automatic wire cutting Machine - YouTube
Arduino based multi wire cutting machine – Artofit
ARDUINO BASED AUTOMATIC WIRE CUTTING MACHINE | FINAL YEAR PROJECT IDEA ...
ARDUINO BASED AUTOMATIC WIRE CUTTING MACHINE | AUTOMATIC WIRE CUTTER ...
Arduino wire cutting machine - YouTube
Arduino Homemade Automatic wire stripping cutting machine V2 (SPLICE ...
DIY Wire cutting and stripper Machine | Arduino project - YouTube
How to Make an Arduino-Based Copper Wire Winding Machine | Arduino ...
DIY Arduino based 2D wire bending machine - Electric DIY Lab
DIY Arduino wire bending machine - Geeky Gadgets
DIY Arduino based wire cutter machine - jpralves.net
DIY Arduino based Wire twist tie machine | Arduino project - YouTube
Arduino 3d wire bending machine – Artofit
Wire Cut & Strip Machine - Arduino - YouTube
DIY wire ring making machine | Arduino based projects - YouTube
Test Your Arduino Skills with This DIY Wire Bending Machine
Arduino controlled Automatic Wire Cutting Machine - YouTube
DIY Arduino 3D Wire Bending Machine
Arduino 3D Wire Bending Machine
3D Printed Arduino wire cutting machine by MR Innovative | Pinshape
Wire Cutting Machine using Arduino - 3 - YouTube
Arduino Homemade Automatic wire stripping cutting machine V2 WIP part 3 ...
Arduino Wire Bending Machine | Arduino Wire Machine | Arduino Wire ...
HOW TO MAKE A Arduino based Automatic wire cutting Machine - YouTube
Arduino Model of Wire Bending Machine - YouTube
DIY Arduino based 2D wire bending machine - Electric Diy Lab
Arduino 3D Wire Bending Machine Circuit Diagram | Arduino, Arduino cnc ...
Arduino 3D Wire Bending Machine - HowToMechatronics | Arduino, Bend, 3d ...
Create an Arduino Mega-powered, cable-cutting machine | Arduino Blog
Arduino automated wire cutter - YouTube
AutoCut V2 - The World's Most Powerful Arduino Automatic Wire Cutting ...
Arduino-based machine makes cutting and stripping wires easy | Arduino Blog
DIY Arduino-Powered 3D Wire Bending Machine – Open-Electronics
How to Make an Arduino-Based Copper Wire Winding Machine
DIY Arduino based Wire harness wrapping machine...
This Arduino machine winds Tesla coils automatically | Arduino Blog
Arduino-Powered Wire Bending Machine - Make:
Coil Winding Machine | Arduino Project Hub
Arduino Powered Wire Cutter Part 3 - YouTube
How to Setup GRBL & Control CNC Machine with Arduino
CNC Arduino Winding Machine | Arduino Project Hub
WIRE CUTTING MACHINE : 4 Steps (with Pictures) - Instructables
Mr Innovative made an automated machine to cut four different colors of ...
Create An Arduino Mega-powered, Cable-cutting Machine, 60% OFF
Automatic wire cutter with servo and stepper motor - Programming ...
How to Make an Arduino Drawing Machine? - Fast H-Bot CNC Mechanics
Arduino Cnc Shield Wiring Diagram Database
GitHub - sandy9159/DIY-Wire-cutting-and-stripper-Machine-Arduino-project
GitHub - sandy9159/DIY-Arduino-based-coil-winding-machine
DIY-Arduino-based-Wire-harness-wrapping-Machine | Hackaday.io
GitHub - sandy9159/Arduino-based-wire-bending-machine