Showing 120 of 120on this page. Filters & sort apply to loaded results; URL updates for sharing.120 of 120 on this page
Arduino 1Hz 1MHz adjustable PWM signal generator - YouTube
Arduino easy Frequency Generator 1Hz to 40Khz homemade DIY - YouTube
1Hz to 1MHz Function Generator XR2206 - DIY Self-assembly Kit | Arduino ...
Arduino Easy Frequency Generator 1Hz To 40Khz Homemade DIY, 59% OFF
1Hz to 30KHz Wave Generator Using Arduino - Electronics-Lab
730 NE555 generator impulsów 1Hz-200kHz Arduino - Sklep, Opinie, Cena w ...
Signal generátor XR2206 1Hz – 1MHz – Techfun.sk – Naj Arduino shop
Simple Bench Signal Generator | Arduino Project Hub
DIY Arduino Generator - YouTube
Arduino Waveform Generator : 29 Steps (with Pictures) - Instructables
Waveform / Function Generator Using Arduino With Code and Circuit ...
Basic Function Generator - 1Hz ~ 500KHz - Micro Robotics
diymore Arduino signal generator pwm pulse frequency duty cycle module ...
DIY Arduino Waveform Generator or Function Generator
XY-KPWM generátor signálu 1Hz – 150Khz – Techfun.sk – Naj Arduino shop
1Hz Clock Generator using PIC16F876 – Microcontroller Based Projects
Accurate 1Hz Generator | EdrawMax Templates
Arduino frequency generator | Arduino square wave generator | diy ...
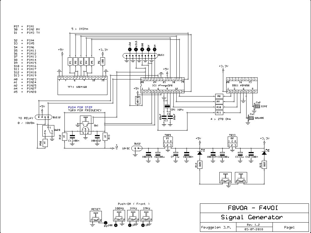
F8VOA Amateur Radio Page: 1Hz to 33 MHz ARDUINO Signal generator.
Arduino Nano Frequency Generator at Greg Stone blog
Using Arduino components to build a signal generator - YouTube
1Hz to 150KHz PWM Frequency Generator Module
High Precision 1Hz Clock Generator / Time Base 3.8ppm 1024Hz output 3 ...
For Arduino Signal Generator PWM Pulse Frequency Duty Cycle Adjustable ...
Variable Frequency Arduino Generator (with Pictures) - Instructables
1HZ-150 KHZ SIGNAL Generator PWM Board Arduino DIY-Elektronik EUR 9,51 ...
【💕Ready Stock+COD🎉】household-tools Arduino Signal Generator Pwm Pulse ...
Accurate 1Hz Generator : 5 Steps (with Pictures) - Instructables
1Hz Pulse Generator Circuit with NE555 - YouTube
Gallery | Arduino Based Square Pulse Generator (1Mhz) | Hackaday.io
Electromechanical 1Hz Function Generator | Hackaday.io
Arduino Waveform Generator : 5 Steps (with Pictures) - Instructables
Arduino square wave generator up to 1Mhz | Hackaday.io
Frequency Generator Using Arduino at Sharon Russell blog
Accurate 1Hz Signal Generator | Detailed Circuit Diagram Available
1khz tone generator - General Guidance - Arduino Forum
DIY Arduino Square Wave Generator Up to 1Mhz - Instructables
Arduino Diagram Generator » Diagram Board
1Hz - 1MHz XR2206 Function Generator
NE555 Állítható frekvencia generátor - ARDUINO - DC 5-15V 100mA kimenet ...
NE555 1Hz-200kHz Generator Module | Arduino, DIY \ Clocks & Generators
XR2206 Function Signal Generator 1Hz-1MHz High Accuracy 9-12V DC ...
Arduino: XR2206 1Hz-2MHz Function Generator with PIC MCU
DIY Function Generator using XR2206 Kit : 1Hz-1MHz
2CH PWM generator 1Hz-150Khz how to program PWM and frequency generator ...
Adjustable Clock Generator DIY Kit with NE555 Timer, 1Hz-1.5MHz ...
1Hz-6Khz Adjustable signal generator Square Wave generator Module For ...
Arduino Z Wave at Kai Meany blog
1Hz-150Khz Signal Generator Module Adjustable PWM Pulse Frequency ...
Simple STM32 Frequency meter from 1Hz to 30 MHz (Arduino IDE) | p..
Digital 2 Channel PWM Square Wave Pulse Signal Generator 1Hz-150KHz ...
GENERATEUR De SIGNAUX PWM 1Hz-150Khz Arduino - Power Lab
ZK-PP1K Dual Mode Signal Generator 1Hz~150KHz Pulse Frequency Duty Cyc ...
XY-PWM1 Signal Generator Module Adjustable PWM 1HZ-15KHZ - Duinolk ...
Function Signal Generator DIY Kit Sine Triangle Square Output 1HZ-1MHZ ...
Simple STM32 Frequency meter from 1Hz to 30 MHz (Arduino IDE)
Hacker's Bench : Crystal Controlled 1Hz Time Base (Clock)
LW-1641 0.1Hz to 2MHz Function Signal Generator - Duinolk | The Biggest ...
Technoblogy - Tiny Function Generator
MODUŁ GENERATORA 1HZ - 1MHZ
FG-100 1Hz-500KHz DDS Function Signal Generator Frequency Counter Sine ...
Simple Arduino frequency generator/meter demo - YouTube
Generator de semnal PWM, 5-12V DC, 1Hz-100KHz | Bitmi.ro
GENERATOR FUNKCYJNY DDS 1Hz-65534Hz 9V QS-025
3 Way Frequency Meter Signal Generator Module Duty Cycle Pwm Pulse ...
Programmable Clock Generator Ic at William Christy blog
2 Channel Rectangle Wave Signal Generator Module PWM Pulse Frequency ...
Adjustable Clock Generator Kit NE555
NE555 Signal 1Hz.-200KHz. Frequenz Generator – IoT powered by androegg.de
1 Hz Generator and 2 Hertz Oscillator Circuit - EDN
Automates, moteurs, commandes Modulo generatore di segnali frequenza ...
Se781ec648a4841a6a10fc3fd0dc8a848g.jpg
Jednoduchý generátor 1Hz-100kHz - STAVEBNICE : H A D E X , spol. s r.o.
My Nixie Clock Project