Showing 98 of 98on this page. Filters & sort apply to loaded results; URL updates for sharing.98 of 98 on this page
A Library for Getting the Best Out of the AD7793 ADC | Arduino Project Hub
Ацп ad7793 arduino схема платы - MoyaNahodka.ru
GitHub - evfit/AD7793-on-Arduino: Getting AD7793 to work on Arduino
АЦП AD7793 (Arduino) — rcl-radio.ru
AD7793 discontinuous output signal - Q&A - Precision ADCs - EngineerZone
AD7793 Single Conversion Mode - Mikrocontroller.net
AD7793 Module 16/24-Bit Sigma-Delta ADC with Low-Noise In-Amp and ...
AD7793 trouble interpreting the output voltage - Q&A - Precision ADCs ...
Nano+Ad7793 OLED BAT - Wokwi ESP32, STM32, Arduino Simulator
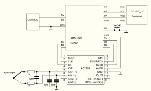
AD7793 + термопара (Arduino) — rcl-radio.ru | Arduino, Робототехника ...
АЦП AD7793 (Arduino) - 23.09.23 07:27 | Пикабу
Unlocking the Potential: Explore the Ad7793 Datasheet for Comprehensive ...
Buy online ADC AD7793 low noise amplifier module at low cost from DNA ...
Ad7793 Low Noise Amplifier Module
AD7793 Datasheet and Product Info | Analog Devices
AD7793 | 多通道ADC | 亚德诺(ADI)半导体
Nano+Ad7793 - Wokwi ESP32, STM32, Arduino Simulator
AD7793 + термопара (Arduino) - 16.09.23 09:20 | Пикабу
AD7793 + термопара + термометр сопротивления (Arduino) — rcl-radio.ru
AD7793 миллиомметр (Arduino) — rcl-radio.ru
AD7793 + термопара (Arduino) — rcl-radio.ru
Ad7793 High Precision K Thermocouple Temperature Measurement ...
Jual JETS AD7793 K Thermocouple Acquisition Module High Precision ...
AD7793 миллиомметр (Arduino) - 16.09.23 09:06 | Пикабу
AD7793 Isolated K-type Thermocouple Temperature Measurement Acquisition ...
AD7793 - Microcontroller No-OS Driver [Analog Devices Wiki]
AD7793 broken issue - Q&A - Precision ADCs - EngineerZone
AD7793 temp. measurement: antialiasing filter leads to bias - Q&A ...
Analog Devices EVAL-AD7793EBZ Signal Conversion Development Kit, AD7793 ...
AD7793 Datasheet(PDF) - Analog Devices
Raspberry pi Zero and ad7793 - Q&A - Precision ADCs - EngineerZone
AD7793 Vref von Rref? - Mikrocontroller.net
Layoutvorschlag AD7793 - Überlegungen - Mikrocontroller.net
AD7793 + термопара + термометр сопротивления (Arduino) - 16.09.23 09:11 ...
AD7793 High Precision Isolation K Type Thermocouple Temperature Sensor ...
AD7793BRUZ / 디바이스마트
AD7793驱动程序(详细)-CSDN博客
【RTD】AD7793三线式铂电阻PT100/PT1000应用_ad7793 pt100-CSDN博客
AD7793BRU 24Bit ADC Module
AD7793/热电偶采集模块/带隔离-71454-深圳优信电子科技有限公司
AD7793芯片的使用问题求助-CSDN社区
多片AD7793的电路设计及驱动问题 - 问答 - 精密转换器专区 - EngineerZone
Схема приемник на tea5767
EVAL-AD7793EBZ Reference Design | Analog to Digital Conversion | Arrow.com
AD7793数据手册和产品信息 | Analog Devices
Using a multimeter to measure the output of the Wheatstone bridge, the ...
基于STM32F103驱动AD7793采集K型热电偶温度-CSDN博客