Showing 100 of 100on this page. Filters & sort apply to loaded results; URL updates for sharing.100 of 100 on this page
Diesel Generator Control Module Original ATS Controller - ATS ...
ATS Controller - ATS Control Module and Controller
Diesel Generator Control Module Original ATS Controller - China ATS ...
The ATS controller is the core of you ATS panel. Learn more
700 ATS Controller - GEYA Electrical Equipment Supply
ATS Controller - ATS Controller and Controller
ATS Diesel Generator ATS Controller with LED Display with Best Quality ...
ATS Controller at ₹ 4500 | ATS Controller in New Delhi | ID: 4298423291
ATS Controller 1 - Manual de Instruções | PDF
ats ps4 controller layout | Learn 2 Truck
ATS Controller ACU538
ATS controller
ATS CONTROLLER 03 - YouTube
ទូរ ATS Controller | ជាងភ្លើង-ដាលីន - YouTube
ATS Controller Operation | PDF
ATS Intelligent Controller - 150Amps – Tronic Kenya
Schematic representation of the ATS controller constructed on a LabVIEW ...
Intelligent ATS Generator Electronic Controller ATS Control Module Auto ...
ATS Controller ATS220 Automatic Transfer Switch Generator Controller ...
ATS420 ATS Controller User Manual V1.0 | PDF | Power Supply | Relay
Mạch ATS Controller chuyên dùng điều khiển ATS đơn giản nhất | Máy phát ...
ATS Controller Automatic Transfer Switch Controller ATS530| Alibaba.com
ATS Intelligent Controller 200A – Tronic Kenya
New generator controller auto start ats control panel ATS106 ATS ...
Ats Controller at Best Price in Sangli - ID: 4036163 | GENNEXT CONTROL
ATS Controller - Charter Controls
Buy Ats Controller Automatic Generator Controller Ats Generator ...
Generator ATS Controller Automatic ATS Control Module ATS320 - Auto ...
ATS controller - YouTube
ដំឡើងទូរ ATS Controller |ជាងភ្លើង-ដាលីន - YouTube
CONTROLLER ATS ATS220 con parametri regolabili per diverse applicazioni ...
ATS Controller | Microprocessor-Based Controller | Camsco Electric Co ...
Bộ điều khiển ATS Controller V1.4 | Shopee Việt Nam
ats & ets2 controller bindings | Learn 2 Truck
ATS Control Panel - Ats Control System Latest Price, Manufacturers ...
Tủ ATS là gì? Cấu tạo, chức năng, nguyên lý hoạt động
ATS connection to Main panel / ATS Control Panel Wiring Diagram - YouTube
ATS Controllers - MTS Power Products
PC/CB class ATS Controller,MCCB Type CB Class ATS - 123 Electric Co,.Ltd
ATS Controllers – United Force
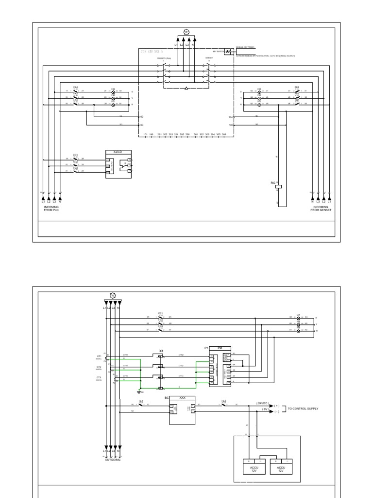
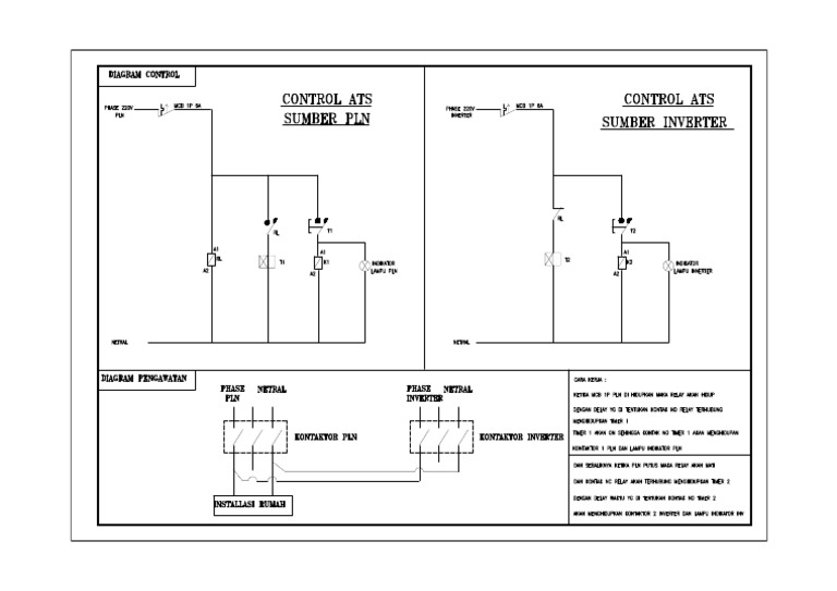
ATS Control Diagram | PDF
Ats Controls
Demystifying ATS Control Wiring: A Comprehensive Diagram Guide
Understanding the ATS Panel Control Circuit Diagram: A Complete Guide
How an ATS Control Panel Works: A Real-World Example | Carlos Jimenez ...
What is an ATS CONTROLLER? Learn how to make ATS panels
一文带你深入了解 PCIe ATS · kernelnote
ATS-01 Automatic Transfer Controller Three Phase 100A LCD Display at ...
Schematic of ATS Control System | PDF
ATS Control Panel - ATS Panel Price, Manufacturers & Suppliers
How to Reset Generator Ats Controller: Quick & Easy Guide - BackupWatt
Unveiling the Control Circuit Diagram of an ATS Panel
ATS CONTROL CIRCUIT - YouTube
Panel Control ATS | PDF
Automatic Transfer Switch Controller Tutorial Page
ដំណើរការទូរATS/ATS System controller ដោយ ជាងភ្លើងភូមិខ្ញុំ - YouTube
ATS Control | PDF
ATS Control System from China, ATS Control System Manufacturer ...
High Quality ats control panel, Custom ats control panel
ATS Control Schematic Diagram | PDF
ATS Controllers - Cloud Automation
Ats Control Wiring Diagram
ATS controllers – Reliable transfer switches
ATS control wiring | PDF
Ats Control | PDF
ATS Control Circuit | PDF
Controller Layout | Learn 2 Truck
High Quality Generator ATS panel, Custom Generator ATS panel
Jual Unit Kontroler ATS Custom Controler ATS Custom Sesuai Pesanan ...
Testing model of ATS | Download Scientific Diagram
An ATS for the controller/client problem | Download Scientific Diagram
របៀបប្រេីប្រាស់ ជេីង បញ្ជា ATS/Controll ATS - YouTube
Product Series
Control Ats-R1 | PDF