Showing 120 of 120on this page. Filters & sort apply to loaded results; URL updates for sharing.120 of 120 on this page
AISC Design Guide 01 - Base Plate and Anchor Rod Design | PDF
AISC Design Guide 29 - Vertical Bracing Connections PDF | PDF | Beam ...
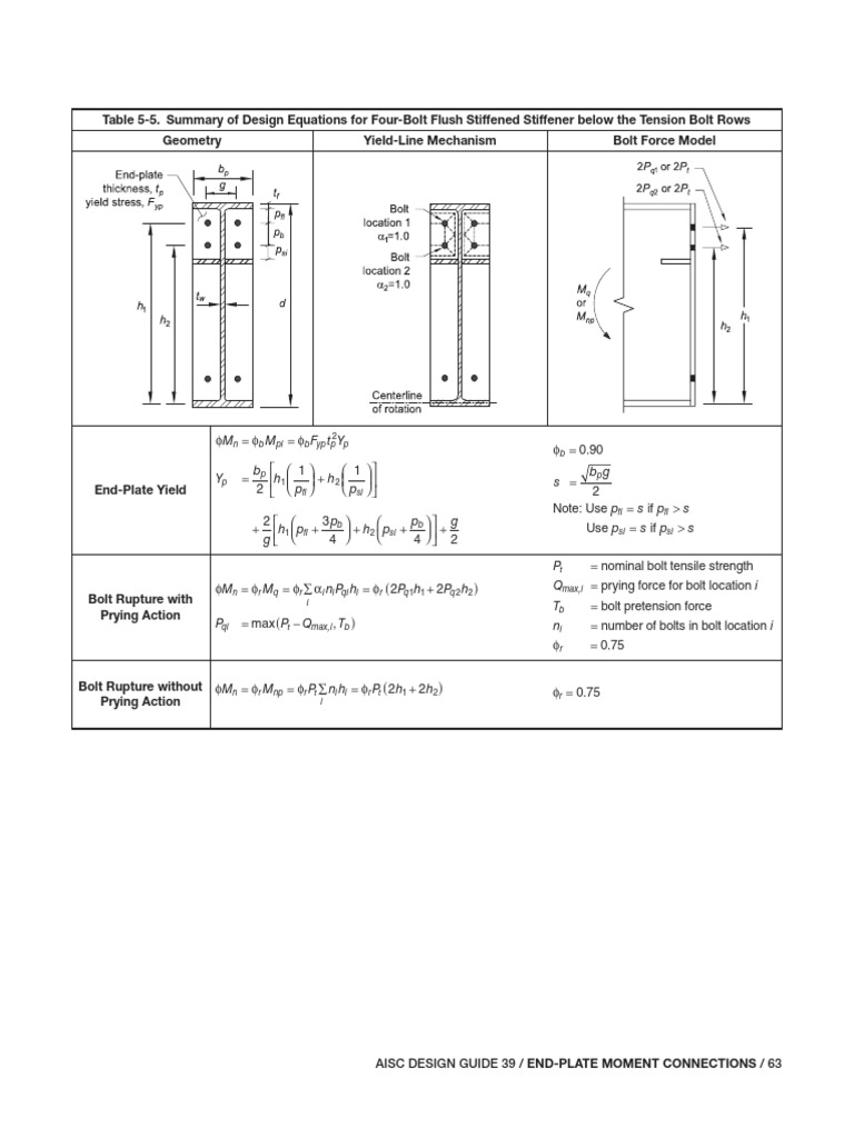
AISC Design Guide 39 - End-Plate Moment Connections 73 | PDF
AISC Design Guide 1: Base Plate Update | PDF | Nature
AISC Design Guide 6 - Composite Column Design (2nd Edition) | PDF ...
AISC Steel Design Guide 7 revisions | PDF | Civil Engineering ...
AISC Design Guide 1 | PDF
AISC Design Guide 1 | PDF | Nature
34 AISC Design Guide 34 - Steel-Framed Stairway Design, 2018 | PDF ...
AISC Design Guide 39 - End-Plate Moment Connections 77 | PDF
pdf AISC Design Guide 07-3rd ED 2019
Aisc Steel Design Guide 16 Pdf - Design Talk
AISC Design Guide 39 - End-Plate Moment Connections 80 | PDF | Building ...
AISC Design Guide 1 Table 3.2 PDF | PDF
Aisc Design Guide 20 Steel Plate Shear Walls | PDF
AISC Design Guide 33 - Curved Member Design | PDF | Beam (Structure ...
(PDF) AISC Structural Design Guide Edward S. Hoffman
(PDF) AISC Design Guide 23 Constructability of Structural Steel Buildings
AISC-Steel Design Guide 07 - Industrial Buildings | PDF | Roof | Crane ...
AISC Design Guide 24 - Hollow Structural Section Connections - 2nd ...
Aisc Design Guide 24 Hollow Structural Section Connections - Design Talk
(PDF) AISC Design Guide 27 Structural Stainless Ste
AISC Design Guide 29 - Vertical Bracing Connections - Analysis and ...
AISC Design Guides Download Webpage | PDF
AISC - Design Guide 36 - Design Considerations for Camber.pdf ...
AISC Design Guide 8
Steel Frame Design Manual Aisc 360 10 Pdf - Infoupdate.org
AISC Design Guides Overview | PDF | Structural Steel | Building Technology
SOLUTION: Aisc design guide 03 serviceability design consideration for ...
(PDF) Steel Design Guide Series AISC Rehabilitation and Retrofit Guide ...
AISC Design Guide 21 - Welded Connections A Primer for Engineers
AISC Design Guides | PDF | Structural Steel | Building Technology
AISC Design Guide 27 Structural Stainless Steel PDF, 44% OFF
AISC Design Guide 28 - Stability Design of Steel Buildings
AISC Design Guide 04 - Extended End-Plate Moment Connections - 2nd ...
(PDF) Development of design rules in the AISC Design Guide for ...
CSD Experts Author New Edition of AISC Design Guide 1 | CSD Structural ...
AISC - Design Guide XX - Design of Column Base Plates and Steel ...
AISC Design Guide Constructability of Structural Steel Buildings Now ...
AISC Steel Construction Manual | 15th Ed. | Structural Design Guide
AISC Design Guide 03 - Serviceability Design Considerations For Steel ...
AISC - Design Guide Spec and Manual References-2022-05-09 - DG # Design ...
AISC Design Guide 14..
AISC Design Guide 15 - AISC Rehabilitation And Retrofit Guide ...
AISC Design Guide 27 - Structural Stainless Steel
Aisc Stainless Steel Design Guide - Design Talk
AISC Design Guide 15 - AISC Rehabilitation and Retrofit Guide
(PDF) Steel Design Guide - · PDF file24 Steel Design Guide AMERICAN ...
AISC Design Guide 10..
SOLUTION: Aisc design guide 20 steel plate shear walls - Studypool
AISC Design Guide 00 - Spec and Manual References (2023-08-31) - DG ...
SOLUTION: Aisc design guide 05 design of low and medium rise steel ...
AISC Design Guides: Comprehensive PDF Format Overview - Studocu
AISC Design Guide 26 - Design of Blast Resistant Structures
AISC Specification and Manual Editions Referenced in AISC Design Guides ...
(PDF) Base Plate Analysis Analysis Classification (AISC Design Guide #1
AISC Design Guides by IMCA - Issuu
AISC MANUAL OF STEEL CONSTRUCTION ALLOWABLE STRESS DESIGN 9TH EDITION ...
AISC Design Guides - PDFCOFFEE.COM
AISC Steel Design Guides | Sipilpedia
Design of Steel Structures: Topic Iii THE 15 Edition Aisc Manual of ...
AISC Design Guides: Specification & Manual Editions
AISC Seismic Design Manual, 3rd Ed- - PDFCOFFEE.COM
Design Guide 01- Base Plate and Anchor Rod Design (2nd Edition).pdf
Aisc Steel Construction Manual Design Exles - Infoupdate.org
Guía AISC 11: Vibraciones en Estructuras | PDF | Resonancia | Frecuencia
AISC Steel Construction Manual 15th Edition | PDF
Essential Guide to AISC Specification for Structural Steel Buildings ...
AISC Design Guides ALL - Civil MDC
AISC 325 Steel Construction Manual | PDF | Structural Steel ...
AISC v15.1 vol-1 design-examples
aisc steel construction manual 13th edition.pdf
ASD Aisc Manual of Steel Construction, Volume I, 9th Edition (2).pdf
Aisc Structural Steel Angle Sizes Table Chart A36 Engineers Edge ...
AISC - Steel Construction Manual-American Institute of Steel ...
AISC » .:LAVteam:.
Buy AISC Steel Construction Manual 16th Edition | Buildersbook.com
Aisc 3rd Edition Manual of Steel Construction Load and Resistance ...
Mastering How to Use the AISC Steel Construction Manual: Tips and ...
AISC – Steel Construction Manual 15th Edition – Architechture Book Depot
STEEL CONSTRUCTION 14TH MANUAL AISC.pdf