Showing 117 of 117on this page. Filters & sort apply to loaded results; URL updates for sharing.117 of 117 on this page
looking for an example for AD7190 with arduino - Q&A - Precision ADCs ...
AD7190 Datasheet and Product Info | Analog Devices
Arduino ESP32+AD7190采样程序 - 知乎
AD7190 | 多通道ADC | 亚德诺(ADI)半导体
AD7190 module 24 bit ADC AD module thermocouple weighing RTD PT100
AD7190 ADC Analog to Digital Conversion Module Digital Weighing 24 ...
AD7190 24-Bit Sigma-Delta ADC - ADI | Mouser
AD7190 - Microcontroller No-OS Driver [Analog Devices Wiki]
2Pcs AD7190 Digital Weight Module 24 Bit ADC Digital-to-Analog ...
AD7190BRUZ AD7190 TSSOP-24 模数转换器 超低噪声24位ADC 原装-阿里巴巴
ad7190 24位采集 - 立创EDA开源硬件平台
ad7190 divider on ref - Q&A - Precision ADCs - EngineerZone
AD7190 评估板
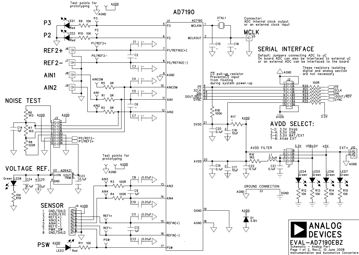
AD7190 Evaluation Board User Guide [Analog Devices Wiki]
AD7190 数据手册和产品信息 | ADI 公司
why AD7190 output data oscillate ? - Q&A - Precision ADCs - EngineerZone
Connection AD7190 Evaluation board with external Microcontroller - Q&A ...
AD7190 Datasheet(PDF) - Analog Devices
AD7190 數字稱重模塊 24位數模轉換器 壓力傳感器 高精度 ADC模塊 | 蝦皮購物
Ad7190 24ビット高精度4-20ma 0-10v adc取得spiインターフェース取得4ウェイad
AD7190 and AD7192 Not respond when input voltage is negative(change ...
AD7190 problem - Q&A - Precision ADCs - EngineerZone
AD7190 Number Weight Module 24 -bit Model Converter High -precision ADC ...
AD7190 auslesen - Mikrocontroller.net
ckepdyeh AD7190 ADC High Precision Strain Acquisition Module 24Bit ...
AD7190 Precision Weigh Scale Design Circuit Note
STRAIN GAUGES AND ACCELEROMETER - Sensors - Arduino Forum
1PC NEW AD7190BRUZ AD7190 TSSOP-24 #LL | eBay
全新原装 AD7190BRUZ AD7190 TSSOP24 Σ-Δ型模数转换器 4.8KSPS-阿里巴巴
AD7190 24Bit ADC High-precision Strain Acquisition Module / Pressure ...
ПРЕЦИЗИОННАЯ ВЕСОИЗМЕРИТЕЛЬНАЯ СИСТЕМА НА БАЗЕ СИГМА-ДЕЛЬТА АЦП AD7190 ...
AD7190 ADC High Precision Strain Acquisition Module 24Bit Pressure ...
AD7190 Datasheet - 4.8 kHz Ultra-Low Noise 24-Bit Sigma-Delta ADC ...
1PCS AD7190BRUZ Package TSSOP24 AD7190 24-Bit Analog-to-Digital ...
AD7190 Drift problem - Q&A - Precision ADCs - EngineerZone
AD7190 default register not read - Q&A - Precision ADCs - EngineerZone
AD7190 continuous conv using stm32 - YouTube
Arduino_ESP32_AD7190/src/esp32_ad7190/arduino_secrets.h at master ...
AD7190原理图PCB及如何使用经验分享 | 极寒钛博客网
Купить AD7190-MODUL на складе КОСМОДРОМ, Харьков, Украина
AD7190高精度ADC驱动程序开发指南-CSDN博客
基于STM32F103驱动AD7190 24位ADC高精度应变采集模块采集应变信号称重-CSDN博客
H91d264f93c364c6ebf1642babf94bf804.jpg
ad7190引脚图及功能 - 电子常识 - 电子发烧友网
H017d0358f2e1497ca7d543aa157f5413L.jpg
AD7190模数转换器原理图详解-CSDN博客
AD7190模数转换模块-79480-深圳优信电子科技有限公司
S5cfc604fa4b34aa4ba1137bbb57c5728q.jpg
Store Home Products Feedback
利用内置PGA的24位Σ-Δ型ADC AD7190实现精密电子秤设计_adc pga-CSDN博客
AD7190芯片功能与特点解析 资源-CSDN下载
Sba53e25f2ca84a1e9e402367c516c4deT.jpg
EVAL-AD7190EBZ Reference Design | Analog to Digital Conversion | Arrow.com
AD7190数字称重模块 24位数模转换器 高精度ADC模块 压力传感器_虎窝淘
AD7190BRUZ-REEL Analog to Digital Converters - ADC 2ch UltraLow Noise ...
AD7190数字称重模块 24位数模转换器压力传感器高精度ADC模块_虎窝淘
24位ADC芯片AD7190讲解和代码编写(基于STM32模板的硬件软件SPI)-CSDN博客
AD7190之STM32程序-CSDN博客
AD7190做电子秤基本配置(stm32)-CSDN博客
技术小阿卡之AD7190介绍_ad7190 输入悬空-CSDN博客
AD7190BRUZ-Analog to Digital Converter, 14 Pin at ₹ 750/piece in Mumbai
#AD7190 #analog to digital conversion module#relandsun - YouTube
亚德诺AD7190低噪声完整模拟前端的功能及特性-知识工厂-兆亿微波商城
高性能低噪声AD7190 Sigma-Delta ADC详解与特性 - CSDN文库
AD7190之STM32程序——STM32测试高精度ADC篇(三)_cherrymcu的博客-CSDN博客_ad7190
How to Use ADC in Arduino? - Beginners Guide
weightConfig() is not defined · Issue #1 · coolham/Arduino_ESP32_AD7190 ...
AD7190/92 Eval Brd Guide Datasheet by Analog Devices Inc. | Digi-Key ...
【AD7190】openwrt 系统对接AD7190_ad7190驱动程序-CSDN博客
全新原装AD7190BRUZ AD7190封装TSSOP24 模数转换ADC芯片-阿里巴巴
GitHub - Agilack/ad7190-ebz: Alternative firmwares and apps for the ...
2pcs-AD7190BRUZ-Converters-AD7190-24Bit-TSSOP-24-100-Original ...
ad7190和arduino通信问题。 - 问答 - 精密转换器专区 - EngineerZone
AD7190数字称重模块 24位数模转换器 压力传感器 高ADC模块_称重传感器_维库电子市场网
AD7190读数误差问题 - 问答 - 精密转换器专区 - EngineerZone
AD7190(内置PGA的4.8 KHZ、超低噪声、24位Σ-Δ型ADC)-AD代理
ZONRI/AD7190模块-78787-深圳优信电子科技有限公司
硬石AD7190 24位高精度 4-20ma 0-10V SPI接口采集4路ADC
【最低價 公司貨】AD7190稱重模塊 24位模數轉換器 高精度ADC 四線力傳感器采集模塊 | 樂購優選 | 樂天市場Rakuten
AD7190_4265987.PDF Datasheet Download --- IC-ON-LINE
AD7190模拟输入口对Agnd短路或电阻只有几十欧姆 - 问答 - 精密转换器专区 - EngineerZone
硬石AD7190模块PDF原理图+AD集成封装库+AD7190芯片文档资料: 模块主要器件如下: - 电路图下载 - 21ic电子技术资料下载站