Showing 116 of 116on this page. Filters & sort apply to loaded results; URL updates for sharing.116 of 116 on this page
7485 IC 4-bit Magnitude Comparator | Makers Electronics
7485 IC 4-bit magnitude comparator | Makers Electronics
7485 IC 4-bit Magnitude Comparator DIP-16 | Makers Electronics
All About the IC 7485 Datasheet: Specifications, Pinout, and Applications
7485
IC 7485 – Electroslab
Fp-16 TTL 7485 €3.55 sstls.com
SN7485N 4-Bit Magnitude Comparators 7485 IC (2 pieces) : Amazon.in ...
Jual ic TTL 7485 74LS85 Comparator 4 bits SN74LS85N Dip 16p - Kota ...
7485 logic gate | Comparator - YouTube
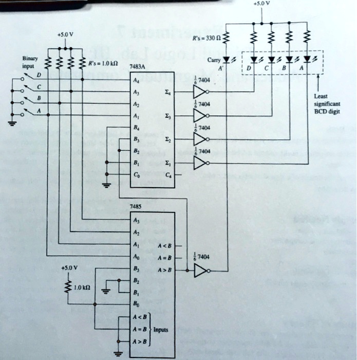
4. Design a 5-bit magnitude comparator using IC 7485 shown...
16 Bit Comparator Using Ic 7485 34+ Pages Explanation in Doc [3.4mb ...
Solved 1. Build a comparator using 7485 IC to compare 2 | Chegg.com
7485 Comparator Datasheet - Specifications and Features
7485 - AV Electronics
7485 Integrated Circuit (IC) | Jameco Electronics
7485 karşılaştırıcı entegre kullanımı – HÜSEYİN BİLAL MACİT
Circuito integrado 7485 - YouTube
7485 (74LS85) 4 Bit Magnitude Comparator IC - SRK ELECTRONICS
DIGITALES 1 : PROFE CHUCHO: Comparador de magnitud de 4 bits: 7485 ...
Building 4-Bit Magnitude Comparator Using 7485 IC
7485 IC 4-bit magnitude comparator - MECHATRONX | MAKING CREATIVITY
7485 Datasheet PDF - National ->Texas Instruments
7485 Datasheet
74ls85 7485 comparador de 4 bits
(Solved) - Connect The 7485 IC To Operate As A 4 Bit Magnitude ...
How to work with Magnitude Comparator Using 7485 IC - YouTube
Solved I need help with this 7485 is a 4‐bit magnitude | Chegg.com
7485 integrado - Redes y Sistemas Informáticos I - Studocu
Solved Procedure 1) Using the test board and the 7485 | Chegg.com
5 bit Comparator using 7485 - YouTube
5 Bit Comparator using IC 7485 in simple way | In hindi | - YouTube
7485 datasheet(4/8 Pages) NSC | 4-Bit Magnitude Comparators
74ls85 dip ic 7485 SN74ls85N - PowerMav Electronics Store
7485 datasheet - 4-bit Magnitude Comparators
Trustworthy 7485 4-Bit Magnitude Comparator - Fast Local Delivery
7485 Datasheet (4-Bit Magnitude Comparators) | National Semiconductor
Connection diagram with eight 7485 IC for greater than, equal or less ...
Datasheet Comparador 7485 | PDF
4-Bit Comparator Using 7485 IC Guide | PDF | Bit | Computing
Analog Digital Comparator using IC 7485 Trainer, For Laboratory, Model ...
7485 datasheet(1/8 Pages) NSC | 4-Bit Magnitude Comparators
IC 7485 4-bit Magnitude Comparator HD74LS85 – ĐIỆN TỬ TUYẾT NGA
IC 7485 4-bit Magnitude Comparator CD74HC85 – ĐIỆN TỬ TUYẾT NGA
7485 Comparador Datasheet | PDF
7485 IC (Four Bit Magnitude Comparator) in Proteus - YouTube
74 series digital circuit of 7485 74LS85 4 pull amplitude comparator ...
106 4 Bit Comparator IC 7485 Pin Configuration, Truth Table and ...
7485 Datasheet | PDF | Electrical Engineering | Electricity
74LS85 SN7485 HD7485 IC 7485 DIP-16 *訂單金額滿50元才出貨 (不含運費) | 蝦皮購物
Solved Refer to the diagram below of the 7485 . What logic | Chegg.com
7485 IC – RoboticsDNA
74LS85 7485 4-Bit Magnitude Comparator 比較器 | 蝦皮購物
Układy cyfrowe: 7485
7485 4 Bit comparator - YouTube
IC DIGITAL: IC 7485
Solved Exercise 3 Use IC 7485 to compare the following two | Chegg.com
7485 Datasheet - 4-Bit Magnitude Comparator | Rochester Electronics
Elektro Digital: Rangkaian IC 7485
ic SN 7485 N - ci SN7485N DIP16 (pla005)
solu 7485 7404 7432 → with 4-bit magnitude comparator | Chegg.com
Solved Theory The 7485 constantly compares the magnitude of | Chegg.com
74LS85 7485 Comparador BCD
microcontroller - Electrical Engineering Pics: microcontroller ...
7485 datasheet(7/8 Pages) NSC | 4-Bit Magnitude Comparators
Magnitude Comparator and Digital Comparator - Easy Electronics
Magnitude Comparator - Combinational Logic - Digital Principles and ...
5. Circuitos lógicos y sistemas microprogramables.
Virtual Labs
7400 Series Guide: 74HC85/74LS85 (4-bit magnitude comparator)
74HC85 4-Bit Comparator IC (7485 IC) DIP-16 Package – ArrowTechCart
BINARY COMPARATORS - MULTIPLEXERS
74LS85 - TD Electrónica
74LS85 Comparator Pinout, Examples, Applications Datasheet
SOLVED: Assume the circuit of Fig. 11-1 had an open output on the A>B ...
7485功能表和引脚图-千图网
74HC85 4-Bit Comparator IC (7485 IC) DIP-16 - ElectroWay
Solved The 7485IC is a 4-bit digital comparator and has a | Chegg.com
circuit-ideas: Simple magnitude comparator (7485 IC) Circuit
Digital Electronics: 4 bit Magnitude Comparator IC (7485) - YouTube
Digital Logic Design LAB Tutorial In Proteus | | Part-15 || Bit ...
Design And Explain 4 Bit Magnitude Comparator Circuit With Suitable Diagram
Mecha Elephant / schlib_browser
Solved 3. Refer to the Datasheet for 7485, and design a | Chegg.com
GitHub - OldIngineer/controllerRS485_MySmartHouse: RS485 controller for ...
SN7485 4-BIT MAGNITUDE COMPARATOR Datasheet | Texas Instruments
7493 Datasheet | Next Electromics