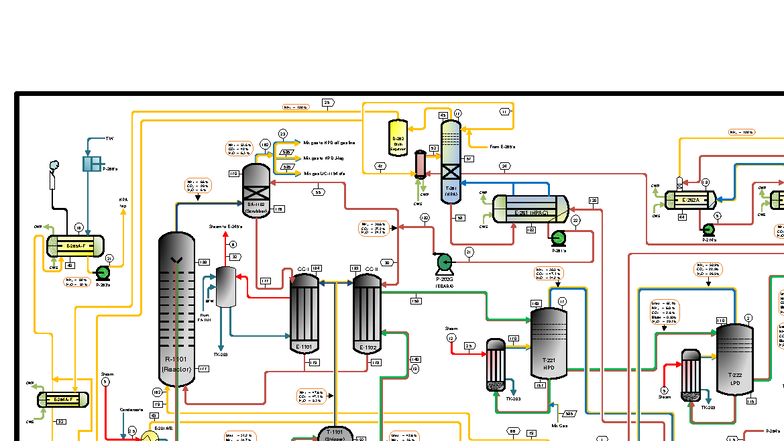
Engineers Guide: Flow Diagram of Urea Production Process from Ammonia ...

Engineers Guide: Flow Diagram of Urea Production Process from Ammonia ...

More to explore

Based on this image's title: “Engineers Guide: Flow Diagram of Urea Production Process from Ammonia ...