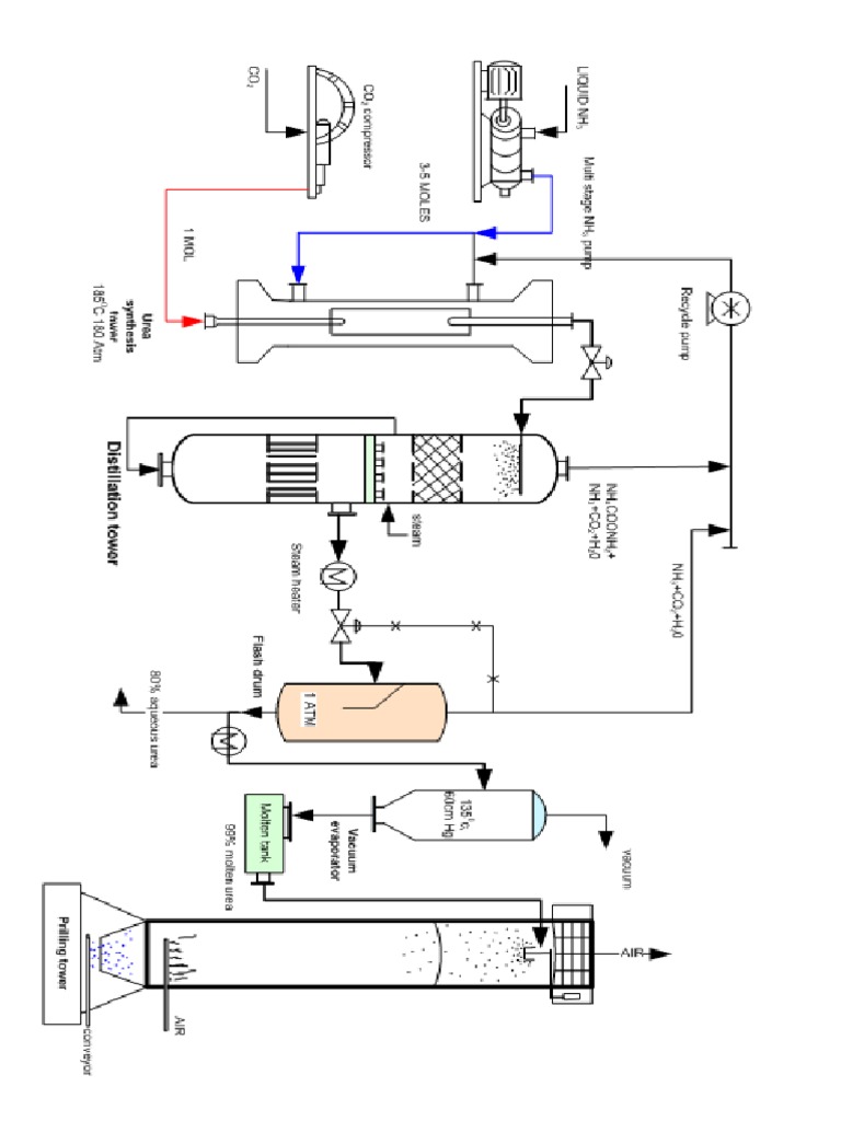
Urea production process | PPTX
Urea Production Process Flow Diagram | PDF | Chemical Process ...
Urea manufacturing process | PPTX
Process Flow Diagram - Urea Production Plant | PDF
Urea Production Process | Vaisala
Urea Production Process Overview | PDF | Urea | Molecules
Flow Diagram of Urea Production Process From Ammonia and Carbon | PDF ...
Urea Production Process Manual | PDF | Urea | Pump
Urea manufacturing process | PPTX | Chemistry | Science
Engineers Guide: Flow Diagram of Urea Production Process from Ammonia ...
Engineers Guide Flow Diagram Of Urea Production Process Engineers
@ Urea fertilizer | PPTX
Urea production unit flowchart. | Download Scientific Diagram
Urea production process in hindi| Flowsheet|Chemical reaction |Diploma ...
Solved Urea Manufacturing process | Chegg.com
Flow Diagram Of Urea Production Chemical Process
Urea manufacturing process | PPT
Urea Manufacturing Process | Chemistry Class 10 | Chapter 16 - YouTube
Schematic of urea fertilizer production process. | Download Scientific ...
UREA production process. Training in creating of structural process ...
Urea Production Process Overview PPT PowerPoint AT
Production of Urea by ammonium carbonate with flow sheet | Urea ...
Figure 1 - Process Flow Diagram for Production of Urea Using
Fertilizer Industry: General Process of Urea Production
Free webinar on Modeling Urea Production process in Aspen Plus - YouTube
Urea Cycle Disorders | PPTX
UREA PRODUCTION PROCESS AS A THERMAL CASCADE: AN OVERVIEW Urea ...
Urea Production | Urea | Solution
Chemical Engineering: Urea Production Process from ammonia and carbon ...
Urea Manufacturing Process - YouTube
Urea Manufacturing Process - Chemical Engineering World
PPT - Production of Prilled Urea PowerPoint Presentation, free download ...
Engineers Guide: The Snamprogetti Urea Process Description
Urea manufacturing process
Urea Based Compound Fertilizer Production Line|Complete Solution
Ministry of Energy and Energy Industries | Urea
Multi‐objective optimization of green urea production - Alfian - 2019 ...
Urea Manufacturing Process Chemical Engineering World
$1.3M to improve urea production and reduce carbon dioxide emissions ...
| A simplified process flow diagram of the proposed ammonia/urea ...
Urea Process by Saipem - Oil & Gas Process Engineering
Urea Resin Making Process at Henry Omalley blog
Green urea production for sustainable agriculture: Joule
Ammonia-Urea Production Process Simulation-Optimization With Techno ...
Engineers Guide: Block diagram of Urea and Ammonia Process
Presentation urea production & synthesis.pptx
What is the Manufacturing Process of Urea Fertilizer?
Urea process flow diagram
Production of Urea Formaldehyde - Petrochemical Processes / Riley Doiron
urea process technology must read interusting.ppt
Block Diagram of a Total Recycle NH 3 Stripping Urea Process (EFMA ...
Melamine From Urea: Production Process
Automotive urea production system High purity car urea solution - Hinada
The Integral Role of Measuring Instruments in Optimizing Urea Synthesis ...
(DOC) UREA FLOW DIAGRAM
How Is Urea Made From Natural Gas at Wendy Hopkins blog
Urea - Gulf Petrochemical Industries Co. (BSC)
How To Make Urea Fertilizer From Natural Gas at Rory Barbour blog
What Is A Urea Cycle at Trent Lopez blog
Fertilizer production by indorama fertilizer co.pptx
urea processes - Copy.pptx
The urea cycle. The figure depicts the key organs responsible for ...
Maximizing the Performance of Urea Top Dressing - Cropnuts
What Happens In The Evaporator Chamber During The Manufacturing Of Urea ...
Blood Urea Nitrogen (BUN) or Urea Nitrogen, and Interpretations
Urea Cycle biochemical reaction pathway that produces urea from ammonia ...
Urea, AVANCORE process Process by Stamicarbon B.V. - Oil & Gas Process ...
Urea-ES® | thyssenkrupp Fertilizer Technology | thyssenkrupp
Urea, Mega plant by Stamicarbon B.V - Oil & Gas Process Engineering
THE SNAMPROGETTI UREA TECHNOLOGY Simulation Using Aspen Plus Software
Engineers Guide: Urea Manufacturing Methods
What is Urea or Nitrogen 46%? - Urea Fertilizer - Infinity Galaxy
EHSQL(Environment,Health,Safety , Quality & Laboratory) Technical ...
CO2 Utilization via Integration of an Industrial Post-Combustion ...
Alternative Integrated Ethanol, Urea, and Acetic Acid Processing Routes ...
Frequency distribution for the potential consequences of the ...
Highly Efficient CO2 Capture and Utilization of Coal and Coke-Oven Gas ...
Meiosis phases Royalty Free Vector Image - VectorStock
Gulf Bio Analytical
Based on this image's title: “Urea production process | PPTX”